海信
首 页
公司简介
产品集锦
产品目录
联系方法
网上订单
企业邮局
干油润滑部分
单线式集中润滑系统介绍
双线式集中润滑系统介绍
电动润滑泵
电动润滑泵
HB-P电动润滑泵
DRB-P电动润滑泵
ZPU型电动润滑泵
双列式电动润滑脂泵
DB-N单线润滑泵
DDRB-N型多点润滑泵
CDQ型电动润滑泵装置
DRB-L系列电动润滑泵
DRB-J系列电动润滑泵
DDB系列多点干油泵
DB、DBZ型单线干油泵
DXZ系列电动干油站
手(脚)动润滑泵
手(脚)动润滑泵
SRB手动润滑泵
SRB-J/L手动润滑泵
SGZ-8型手动润滑泵
SGZ-4/8F型手动润滑泵
KMPS单线手动润滑泵
JRB-3型脚踏润滑泵
加油泵
加油泵
DJB-F200电动加油泵
DJB-V70型电动加油泵
DJB-H1.6型电动加油泵
DJB-V400型电动加油泵
KGP型电动加油泵
SJB-V25型手动加油泵
SJB-D60型手动加油泵
气动泵
7786型气动润滑泵
AP-840B型气动补脂泵
双线分配器
双线分配器
SSPQ-P双线分配器
SDPQ-L双线分配器
VSKV-KR双线分配器
VSKH-KR双线分配器
SSPQ双线分配器
VSL-KR双线分配器
VSG-KR双线分配器
KS系列双线分配器
KW系列双线分配器
VS系列双线分配器
VW系列双线分配器
SGQ系列双线给油器
单线分配器
单线分配器
SSV单线递进式分配器
KJ单线递进式分配器
JPQS型递进式分配器
JPQ-K递进式分配器
JPQ递进式分配器
JPQ-L单进式分配器
FP、FPX单线分配器
PSQ型片式给油器
压力操纵、控制、换向阀及其附件
压力操纵、控制、换向阀
YCK-P5型压差开关
YKQ型压力指示器
YKQ-SB型终端式压力控制器
YKF-L型压力控制阀
YZF-L4型压力操纵阀
YZF-J4型压力操纵阀
24EJF-P型二位四通换向阀
EM型电动换向阀
DR4-5型液压自动换向阀
ZYP型二位四通液压换向阀
YHF型液压换向阀
DF型电磁换向阀
GGQ-P系列干油过滤器
GPF-8型干油喷射控制阀
GJQ型干油压力表减震器
GPZ-135型干油喷射阀
PF-200型干油喷射阀
AF-K10型安全阀
分配器罩
支架
稀油润滑部分
稀油集中润滑系统设计介绍
稀油润滑装置及稀油站
XHZ型稀油润滑装置
XYHZ型稀油润滑装置
XYZ-G型稀油站
XYZ-GZ型整体式稀油站
高(低)压稀油站
GXYZ型A系列
GXYZ型B系列
GDR型双高压系列
挡轮液压站
TBY-12挡轮液压站
NC-14挡轮液压站
稀油润滑元件
WBZ型卧式齿轮油泵装置
LBZ型立式齿轮泵装置
SPL、DPL型网片式油滤器
SLQ型双筒网式过滤器
SWCQ型双筒网式磁芯过滤器
CLQ型磁过滤器
Y型系列过滤器
列管式冷却器
LQ系列列管式冷却器
LC系列列管式冷却器
SGLL型双联油冷却器
FL型空气冷却器
KL型空气冷却器
YZQ型油流指示器
YXQ型油流发讯器
GZQ型给油指示器
AF型安全阀
DXF型单向阀
管件部分
焊接式管接头
焊接式端直通圆锥管螺纹管接头
卡套式端直通管接头
卡套式直通管接头
卡套式端对接直通管接头
卡套式对接直通管接头
卡套式锥螺纹直通管接头
卡套式锥螺纹对接直通管接头
锥密封焊接式铰接管接头
锥密封焊接式管接头
扩口式端直通管接头
扩口式锥螺纹直通管接头
锥密封焊接式压力表管接头
铜管用管接头
钢管用螺纹连接接头
钢管用插入焊接式接头
焊接式接头
带阀接头
旋转接头
活接头
双向接头体
锥密封钢丝
其它管接件
高压胶管总成
A、B、C型扣压式胶管接头
A型可拆式胶管接头
管夹和管托架
塑料管夹
HZJ系列管夹
ZGJ系列座式管夹
油气润滑部分
油气润滑系统设计介绍
油气润滑系统的形式
单线二分式油气润滑系统
单线混分式油气润滑系统
单线—多区式油气润滑系统
单线卸压式油气润滑系统
双线式油气润滑系统
双线—递进式油气润滑系统
油气润滑系统产品
单线油—气供应站
ZRTYQZ-0.28/*型油气供应站
ZRWYQZ-*/*-B型油气供应站
双线油—气供应站
单线卸压式油—气供应站
SMX*-YQ型油—气分配混合器
QHQ-J型油—气分配混合器
ZRFLG*型油气分流器
ZRFLK*型油气分流器
YQWXZ-G型油气卫星站
AVE型油气分配混合器
DMM*-YQ型双线油气分配混合器
电气控制部分
GDK02型电气控制箱
GDK03型电气控制箱
DEA-2L型电气控制箱
DEA-2E型电气控制箱
R1902型电气控制箱
R1904型电气控制箱
产品介绍
SDRB-N系列双列式电动润滑脂泵(31.5MPa)
一、使用条件
双列式电动润滑脂泵是由电动润滑脂泵、换向阀、管路附件等组成。在同一底座上安装有两台电动润滑脂泵,一台常用、一台备用,双泵可以自动切换,通过换向阀接通运转着的泵的回路,不影响系统的正常工作,润滑脂泵的运转由电控系统来操纵,二台泵也可以同时工作。它具有压力高、流量大、远距离输脂,安全可靠等特点。
二、技术参数
型 号
公称流量mL/min
公称压力MPa
贮油器容积L
配管方式
电机功率kW
润滑脂锥入度(25℃,150g)1/10mm
重 量kg
SDRB-N60H
60
31.5
20
环式
0.37
265-385
405
SDRB-N195H
195
35
0.75
512
SDRB-N585H
585
90
1.5
975
三、型号说明
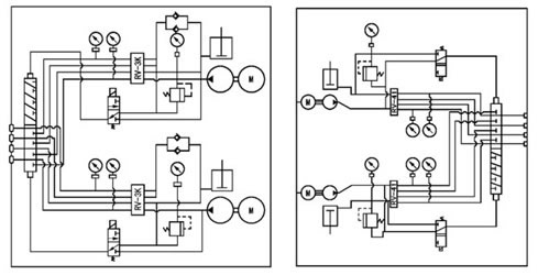
四、系统原理图
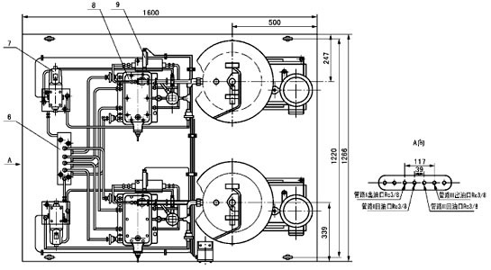
五、外形尺寸
型号
A
A1
B
B1
B1
B2
H1
SDRB-N60H
1050
351
1100
1054
296
1036
598max
155min
SDRB-N195H
1230
503.5
1150
1104
310
1083
670max
170min
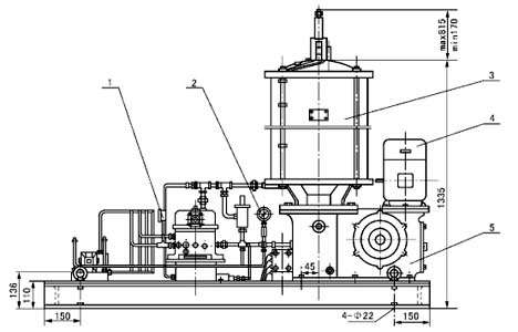
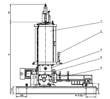
六、结构形式
图4 SDRB-N585H 双列式电动润滑润滑泵外形图
1 - 压力表;2 - 压力表;3 - 贮油器;4 - 电动机;5 - 电动润滑脂泵
6 - 液压换向阀;7 - 电磁换向阀;8 - 液压换向阀;9 - 限位开关
七、使用说明
本产品应安装在室内、灰尘少、振动小的干燥场所,用地脚螺栓固定在基础上。其周围应留有操作空间。安装位置应便于补给润滑脂、调试、检查、拆卸和维修等都方便的场合。
使用前须向柱塞泵的减速机腔注入润滑油(推荐工业齿轮油N220),达到油位计红线的位置。一般新润滑泵工作200小时后应更换润滑油,以后每隔2000小时定期更换新油,并要经常检查油质情况,若发现油质劣化,则应缩短更换周期。
向贮油器内充填润滑脂,必须使用加油泵从润滑脂补给口加入。使用的润滑脂应清洁,不允许有杂质、污物、灰尘、气泡等存在。
电动润滑泵的回转方向与箭头指示方向一致。在电动机接线时,应注意这一点。
溢流阀的标准调定压力为42MPa。
苏ICP备08000188号Copyright© 2017启东市凯润液压润滑设备有限公司