干油润滑部分
单线式集中润滑系统介绍
双线式集中润滑系统介绍
电动润滑泵
 
手(脚)动润滑泵
 
加油泵
 
气动泵
 
双线分配器
 
单线分配器
 
压力操纵、控制、换向阀及其附件
 
 稀油润滑部分
稀油集中润滑系统设计介绍
稀油润滑装置及稀油站
 
高(低)压稀油站
 
挡轮液压站
 
稀油润滑元件
 
 管件部分
 
 油气润滑部分
油气润滑系统设计介绍
油气润滑系统的形式
 
油气润滑系统产品
 
 电气控制部分
 

产品介绍

 

GPF-8型干油喷射控制阀(0.6MPa)

一、使用条件
干油喷射控制阀适用于空气压力为0.45~0.6MPa 的干油喷射润滑系统中,用于控制油路和气路的干油喷射嘴。
该阀与干油喷射嘴配合使用,组成干油喷射润滑装置时,该阀与手动润滑泵连接长度不得大于1 米。




二、技术参数
型号
空气压力Mpa
进气口公称直径DN
重量kg
GPF-8
0.45-0.6
8
1.1

使用介质为锥入度不低于300(25℃,150g)1/10mm 的润滑脂。
 
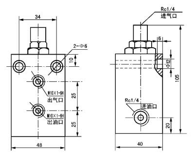
三、外形尺寸
 

四、使用说明
1、使用的润滑脂必须经过过滤,质地均匀,并在规定的锥入度范围内。
2、进气管路中必须设置气动三大件,保证空气的洁净、干燥、衡压。
3、输剂管内不许进入空气,以免影响喷雾。

 
.
苏ICP备08000188号Copyright© 2017启东市凯润液压润滑设备有限公司