干油润滑部分
单线式集中润滑系统介绍
双线式集中润滑系统介绍
电动润滑泵
 
手(脚)动润滑泵
 
加油泵
 
气动泵
 
双线分配器
 
单线分配器
 
压力操纵、控制、换向阀及其附件
 
 稀油润滑部分
稀油集中润滑系统设计介绍
稀油润滑装置及稀油站
 
高(低)压稀油站
 
挡轮液压站
 
稀油润滑元件
 
 管件部分
 
 油气润滑部分
油气润滑系统设计介绍
油气润滑系统的形式
 
油气润滑系统产品
 
 电气控制部分
 

产品介绍

 
XYHZ型稀油润滑装置(0.5MPa)
 
<< 上一页  

表3 XYHZ6.3~XYHZ25装置尺寸

型号
L
B
H
L1
B1
H1
接口螺纹
DN
L2
L3
L4
L5
L6
L7
L8
出油口
排油口
入出水口
回油口
XYHZ6.3
1160
810
1060
950
650
660
G1/2
G1/2
G1/2
32
330
100
150
360
160
30
225
XYHZ10
XYHZ16
1650
994
1315
1300
800
820
G1
G1
G1
50
650
75
200
300
200
60
240
XYHZ25
 
型号 L9 L10 L11 F B2 B3 B4 B5 B6 B7 B8 H2 H3 H4 H5 H6 H7 H8
XYHZ6.3 250 250 790 15 70 145 562 93 300 290 490 222 530 136 700 118 470 190
XYHZ10
XYHZ16 410 410 1180 15 100 160 700 100 520 225 680 380 600 495 720 78 630 240
XYHZ25
 
表4 XYHZ6.3~XYHZ25装置尺寸
型号
L
B
H
L1
B1
H1
DN
L2
L3
L4
L5
L6
L7
L8
L9
L10
出油口
排油口
入出水口
回油口
XYHZ40
2000
1350
1530
1700
1200
950
32
32
32
65
730
130
360
450
900
80
400
450
450
XYHZ63
XYHZ100
2820
1660
1820
2500
1400
1000
50
50
50
80
800
200
500
700
600
120
400
300
1100
XYHZ125
 
型号
L11
F
B2
B3
B4
B5
B6
B7
B8
H2
H3
H4
H5
H6
H7
H8
A进
B进
齿
XYHZ40
1580
15
126
290
230
1070
130
750
720
720
310
1080
530
800
132
420
780
213
800
250
XYHZ63
XYHZ100
2400
22
100
210
125
1230
170
820
720
720
360
1300
630
850
820
380
760
290
630
350
XYHZ125
 
表5 XYHZ160~XYHZ800装置尺寸
型号
L
B
H
L1
B1
H1
DN
L2
L3
L4
L5
L6
L7
L8
L9
出油口
排油口
入出水口
回油口
XYHZ160
3720
2050
2000
3000
1800
1200
65
65
65
125
950
250
675
775
1450
240
650
1500
XYHZ200
XYHZ250
3800
2400
2150
3300
2200
1300
80
80
65
150
1200
250
650
1000
1100
160
480
390
XYHZ315
XYHZ400
4330
2400
2510
3800
2200
1550
100
100
80
200
1000
400
750
1100
920
140
450
450
XYHZ500
XYHZ630
5700
2840
2600
5200
2600
1550
100
100
80
250
1300
400
1200
1300
950
150
900
450
XYHZ800
 
型号
L10
L11
L12
L13
B2
B3
B4
B5
B6
B7
H2
H3
H4
H5
H6
H7
H8
A进
B进
齿
XYHZ160
500
-
-
-
150
150
-
950
200
950
1000
460
780
1050
290
930
930
-
930
350
XYHZ200
XYHZ250
390
780
390
390
150
170
500
1970
230
1180
1130
445
750
1150
240
630
1180
314
1200
400
XYHZ315
XYHZ400
450
1100
450
450
150
220
930
2000
200
1300
1300
210
840
1300
350
510
900
400
1280
390
XYHZ500
XYHZ630
450
1100
450
450
150
200
500
2370
230
1540
1140
600
820
1350
350
700
1400
405
1250
400
XYHZ800
注:1、表4、表5中对应下边的螺、齿、摆、代表意义: 螺-用螺杆泵装置;齿-用人字齿轮泵、斜齿轮泵装置; 摆-用摆线齿轮泵装置。
  2、表中: A进-油温控制采用温调阀装置的进水管B4尺寸、H5尺寸。
       B进-油温控制采用温调器装置的进水管B4尺寸、H5尺寸。
  3、仅公称流量Q为 160、200、250、315、400、500L/min六个规格,有采用斜齿轮泵装置。
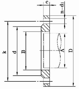
表6 法兰尺寸
DN
A
D
K
d
C
B
n-d1
32
42.5
140
100
76
18
43.5
4-18
40
48.3
150
110
84
18
49.5
4-18
50
60.3
165
125
99
20
61.5
4-18
65
76.1
185
145
118
20
77.5
4-18
80
88.9
200
160
132
20
90.5
8-18
100
114.3
220
180
156
22
116
8-18
125
139.7
250
210
184
22
141.5
8-18
150
168.5
285
240
211
24
170.5
8-22
200
219.1
340
295
266
24
221.5
12-22
250
273.6
395
350
319
26
276.5
12-22
注:法兰尺寸符合GB9119.7的规定。
 
六、标记方法
 
七、装置标记示例
a)装置,公称流量6.3L/min,用温度调节器调温,供油泵用摆线齿轮泵,用继电器、接触器控制,不带压力罐装置的标记为:
XYHZ6.3-BBT稀油润滑装置JB/T8522-1997
b)装置,公称流量315L/min,用温度调节器调温,供油泵用人字齿轮油泵,用继电器、接触器控制,不带压力罐装置的标记为:
XYHZ315-BRT稀油润滑装置JB/T8522-1997
c)装置,公称流量500L/min,用温度调节器调温,供油泵用斜齿轮油泵,用继电器、接触器控制,不带压力罐装置的标记为:
XYHZ500-BXT稀油润滑装置JB/T8522-1997
d)装置,公称流量1000L/min,用调温阀调温,供油泵用螺杆泵,用PLC控制,带有压力罐装置的标记为:
XYHZ1000-ALPP稀油润滑装置JB/T8522-1997
 
 
 
 
 
<< 上一页  
   
苏ICP备08000188号Copyright© 2017启东市凯润液压润滑设备有限公司