海信
首 页
公司简介
产品集锦
产品目录
联系方法
网上订单
企业邮局
干油润滑部分
单线式集中润滑系统介绍
双线式集中润滑系统介绍
电动润滑泵
电动润滑泵
HB-P电动润滑泵
DRB-P电动润滑泵
ZPU型电动润滑泵
双列式电动润滑脂泵
DB-N单线润滑泵
DDRB-N型多点润滑泵
CDQ型电动润滑泵装置
DRB-L系列电动润滑泵
DRB-J系列电动润滑泵
DDB系列多点干油泵
DB、DBZ型单线干油泵
DXZ系列电动干油站
手(脚)动润滑泵
手(脚)动润滑泵
SRB手动润滑泵
SRB-J/L手动润滑泵
SGZ-8型手动润滑泵
SGZ-4/8F型手动润滑泵
KMPS单线手动润滑泵
JRB-3型脚踏润滑泵
加油泵
加油泵
DJB-F200电动加油泵
DJB-V70型电动加油泵
DJB-H1.6型电动加油泵
DJB-V400型电动加油泵
KGP型电动加油泵
SJB-V25型手动加油泵
SJB-D60型手动加油泵
气动泵
7786型气动润滑泵
AP-840B型气动补脂泵
双线分配器
双线分配器
SSPQ-P双线分配器
SDPQ-L双线分配器
VSKV-KR双线分配器
VSKH-KR双线分配器
SSPQ双线分配器
VSL-KR双线分配器
VSG-KR双线分配器
KS系列双线分配器
KW系列双线分配器
VS系列双线分配器
VW系列双线分配器
SGQ系列双线给油器
单线分配器
单线分配器
SSV单线递进式分配器
KJ单线递进式分配器
JPQS型递进式分配器
JPQ-K递进式分配器
JPQ递进式分配器
JPQ-L单进式分配器
FP、FPX单线分配器
PSQ型片式给油器
压力操纵、控制、换向阀及其附件
压力操纵、控制、换向阀
YCK-P5型压差开关
YKQ型压力指示器
YKQ-SB型终端式压力控制器
YKF-L型压力控制阀
YZF-L4型压力操纵阀
YZF-J4型压力操纵阀
24EJF-P型二位四通换向阀
EM型电动换向阀
DR4-5型液压自动换向阀
ZYP型二位四通液压换向阀
YHF型液压换向阀
DF型电磁换向阀
GGQ-P系列干油过滤器
GPF-8型干油喷射控制阀
GJQ型干油压力表减震器
GPZ-135型干油喷射阀
PF-200型干油喷射阀
AF-K10型安全阀
分配器罩
支架
稀油润滑部分
稀油集中润滑系统设计介绍
稀油润滑装置及稀油站
XHZ型稀油润滑装置
XYHZ型稀油润滑装置
XYZ-G型稀油站
XYZ-GZ型整体式稀油站
高(低)压稀油站
GXYZ型A系列
GXYZ型B系列
GDR型双高压系列
挡轮液压站
TBY-12挡轮液压站
NC-14挡轮液压站
稀油润滑元件
WBZ型卧式齿轮油泵装置
LBZ型立式齿轮泵装置
SPL、DPL型网片式油滤器
SLQ型双筒网式过滤器
SWCQ型双筒网式磁芯过滤器
CLQ型磁过滤器
Y型系列过滤器
列管式冷却器
LQ系列列管式冷却器
LC系列列管式冷却器
SGLL型双联油冷却器
FL型空气冷却器
KL型空气冷却器
YZQ型油流指示器
YXQ型油流发讯器
GZQ型给油指示器
AF型安全阀
DXF型单向阀
管件部分
焊接式管接头
焊接式端直通圆锥管螺纹管接头
卡套式端直通管接头
卡套式直通管接头
卡套式端对接直通管接头
卡套式对接直通管接头
卡套式锥螺纹直通管接头
卡套式锥螺纹对接直通管接头
锥密封焊接式铰接管接头
锥密封焊接式管接头
扩口式端直通管接头
扩口式锥螺纹直通管接头
锥密封焊接式压力表管接头
铜管用管接头
钢管用螺纹连接接头
钢管用插入焊接式接头
焊接式接头
带阀接头
旋转接头
活接头
双向接头体
锥密封钢丝
其它管接件
高压胶管总成
A、B、C型扣压式胶管接头
A型可拆式胶管接头
管夹和管托架
塑料管夹
HZJ系列管夹
ZGJ系列座式管夹
油气润滑部分
油气润滑系统设计介绍
油气润滑系统的形式
单线二分式油气润滑系统
单线混分式油气润滑系统
单线—多区式油气润滑系统
单线卸压式油气润滑系统
双线式油气润滑系统
双线—递进式油气润滑系统
油气润滑系统产品
单线油—气供应站
ZRTYQZ-0.28/*型油气供应站
ZRWYQZ-*/*-B型油气供应站
双线油—气供应站
单线卸压式油—气供应站
SMX*-YQ型油—气分配混合器
QHQ-J型油—气分配混合器
ZRFLG*型油气分流器
ZRFLK*型油气分流器
YQWXZ-G型油气卫星站
AVE型油气分配混合器
DMM*-YQ型双线油气分配混合器
电气控制部分
GDK02型电气控制箱
GDK03型电气控制箱
DEA-2L型电气控制箱
DEA-2E型电气控制箱
R1902型电气控制箱
R1904型电气控制箱
产品介绍
GDR型双高压系列高(低)压稀油站
一、使用条件
本产品适用于装有双滑履动静压轴承的磨机、回转窑等大型设备的稀油循环润滑系统中,其工作介质粘度等级为N22~N460(相当于ISO VG22~460)的各种工业润滑油;若将低压泵油量分成二个供油管道时,可以用一套双高压高(低)压稀油站代替二台普通高(低)压稀油站[如GXYZ型A系列高(低)压稀油站中较小者]。
根据动静压润滑工作原理,在启动、低速和停车时用高压系统,正常运行时用低压系统,以保证大型机械在各种不同转速下均能获得可靠的润滑以延长主机寿命。
稀油站二根高压输出管道的压力均为31.5MPa,流量各为2.5L/min,低压部分的压力为0.4MPa,低压流量为16~100L/min;稀油站具有过滤、冷却、加热等装置和联锁、报警、自控等功能。
该产品的性能参数及尺寸应符合表和图中的规定;本装置由油站、仪表盘和电控柜(可用PLC控制)成套组成。
二、型号标注方法
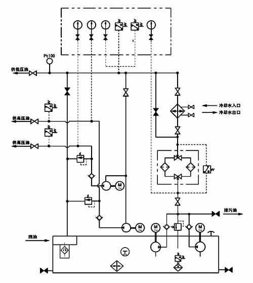
三、工作原理与结构特点
双高压高(低)压稀油站的主要特点为一套稀油站有二根高压输出管道,可满足二个高压润滑点的需要,其他和普通高(低)压稀油站相同。
每根高压输出管道均有压力表和压力控制器,以便控制每根高压管道的压力及观察工况。
本产品组成部分也和普通高(低)压稀油站相同;仅比它多一台高压油泵,二台高压油泵的吸口均联于低压泵的供油口;二台高压泵均启动时,要从低压供油口吸走5L/min的润滑油,对低压泵流量较小者,启动高压泵时低压供油压力可能会有所降低,对润滑油均供向同一轴承的系统来说,轴承的润滑油总量并未减少,不会影响对轴承的润滑;但启动高压泵时,低压压力的降低可能造成备用低压泵会临时启动,这种情况也不致影响润滑系统的正常工作;但采用二低压泵互相切换的备用工作方式时,可能工作泵停止后,备用泵流量仍不满足要求时就不能使润滑系统正常工作了;故选用较小流量低压泵时应注意这一情况。
GDR型双高压系列高(低)压稀油站技术性能
参数
型号
GDK-B2.5/16
GDK-B2.5/25
GDK-B2.5/140
GDK-B2.5/63
GDK-B2.5/80
GDK-B2.5/100
低
压
系
统
泵装置型号
LBZ-16
LBZ-25
LBZ-40
LBZ-63
LBZ-100
LBZ-125
流量L/min
16
25
40
63
80
100
供油压力MPa
≤0.4
供油温度℃
40±3
电动机
型号
Y90S-4,V1
Y100L1-4,V1
Y112M-4,V1
功率KW
1.1
2.2
4
转速r/min
1450
1440
1440
油箱容积m3
1.1
1.5
2.2
高压系统
泵装置型号
2.5MCY14-1B(二台)
流量L/min
2.5X2
供油压力MPa
31.5
电动机
型号
Y112M-6 B35 (二台)
功率Kw
2.2
转速r/min
940
过滤精度m2
0.08~0.12
过滤面积m2
0.13
0.19
0.4
冷却面积m2
3
5
7
冷却水耗量
1
1.5
3.6
5.7
9
11.25
电加热功率Kw
3 x 4
3 x 4
6 x 4
外形尺寸mm
2000x1240x1360
2100x1280x1385
2150x1440x1750
备注
全部过滤切换压差为0.15MPa
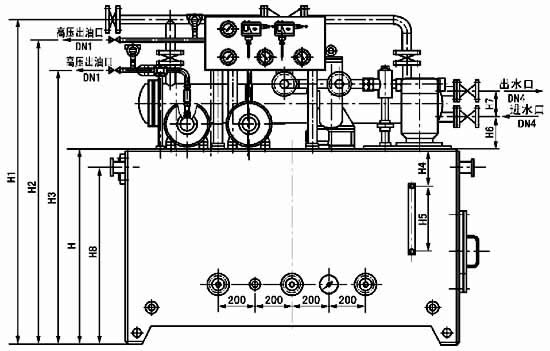
四、外形尺寸
型号
DN1
DN2
DN3
DN4
L
L1
L2
L3
L4
L5
L6
L7
GDR-B2.5/16
8
25
50
50
1600
2000
925
250
35
100
150
215
GDR-B2.5/25
8
25
50
50
1600
2000
825
250
35
100
150
215
GDR-B2.5/40
10
32
65
32
1600
2100
982
300
35
120
180
250
GDR-B2.5/63
10
32
65
32
1600
2100
982
300
35
120
180
250
GDR-B2.5/80
10
40
80
32
1700
2150
1282
305
40
150
200
405
GDR-B2.5/100
10
40
80
320
1700
2150
12820
305
40
150
200
405
型号
B
B1
B2
B3
H
H1
H2
H3
H4
H5
H6
H7
H8
GDR-B2.5/16
1100
1240
300
140
700
1360
1285
1200
120
350
115
80
590
GDR-B2.5/25
1100
1240
300
140
700
1360
1285
1200
120
350
115
80
590
GDR-B2.5/40
1200
1280
248
450
850
1385
1300
1225
180
360
150
110
710
GDR-B2.5/63
1400
1440
190
500
1050
1750
1640
1480
200
400
160
140
875
GDR-B2.5/80
1400
1440
190
500
1050
1750
1640
1480
200
400
160
140
875
GDR-B2.5/100
1400
1440
190
500
1050
1750
1640
1480
200
400
160
140
875
五、系统(原理)图
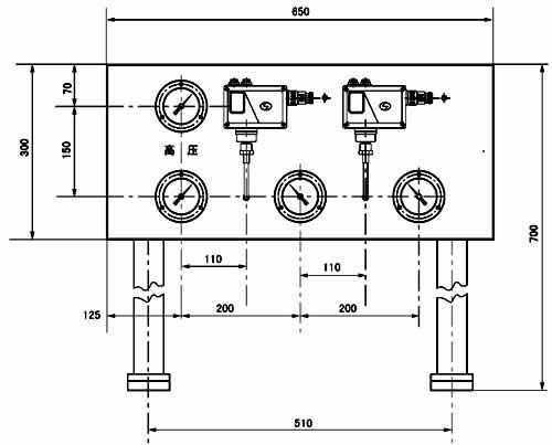
六、仪表盘
序号
标牌文字
序号
标牌文字
1
出口油温
13
压差过高
2
油箱油温
14
主机油温高
3
1#低压泵工作
15
低压泵起动
4
2#低压泵工作
16
低压泵停止
5
1#高压泵工作
17
高压泵起动
6
1#高压泵工作
18
高压泵停止
7
加热器工作
19
加热器启停
8
主机运行
20
消除报警
9
低压压力低
21
1#为主*单独*2#为主低压泵
10
高压压力低
22
1#为主*单独*2#为主高压泵
11
油位高
23
中控/机旁
12
油位低
苏ICP备08000188号Copyright© 2017启东市凯润液压润滑设备有限公司